Rejestracja na forum została wyłączona. Obecnie forum pełni rolę archiwum wiedzy zebranej na przestrzeni lat.
chevidan

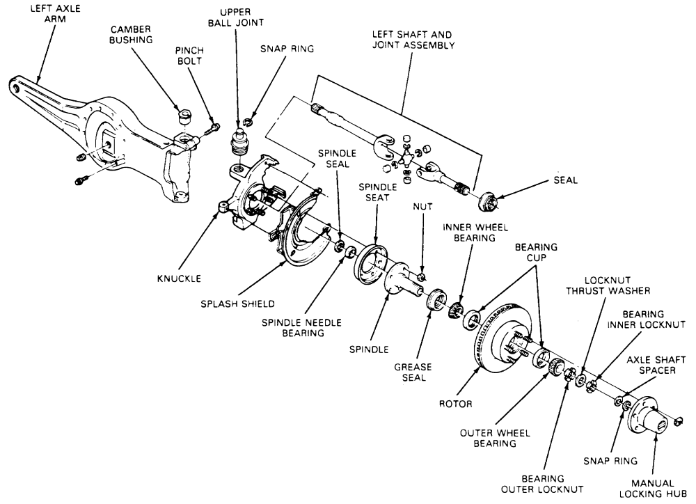
schemat budowy napędów

2007-07-18, 17:42

jak w temacie.
Załączniki
schemat 2.jpg
schemat 2.jpg (19.86 KiB) Przejrzano 69562 razy
schemat.gif
joints.jpg
D28D35Axles.jpg
42238079.gif
42238079.gif (6.54 KiB) Przejrzano 69562 razy

chevidan

Re: schemat budowy napędów

2007-07-18, 17:46

cd.
Załączniki
173496676.jpg
173496676.jpg (6.58 KiB) Przejrzano 69557 razy
most schemat.gif
gen-align-kit.jpg
gen-align-kit.jpg (10.41 KiB) Przejrzano 69557 razy

Wróć do „SILNIK I UKŁAD NAPĘDOWY”