Dzieki wjelkje za schemat i poswjecony czas
jeszcze pytanko gdzie szukać tego bezpjecznika.
Explorer ma bezpjeczniki pod maską i pod kjerownicą.
[ Dodano: 2007-10-31, 23:34 ]
Zaczełem drażyć temat od kjedy go nabyłem,był mały problem z spalaniem marne 29l gazu
a póżniej jeszcze zaczoł cięszko odpalać,myślę że pompa paliwa się kończy,czas pokarze.
a wjec jak radzili fachowcy,zmjeniłem olej w mostach i lożyska w kołach a tu bez zmian ups

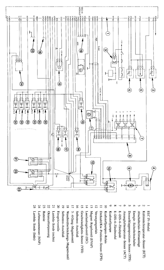
wjęc podłączyłem go pod komputer i okazało się że sonda det.
W montowywał ją super szpec,na kostke el. połączył przewody i troche się pomylił a wjęc stwjerdził że nie ma sęsu jej wykręcać wjęc zamjenił przewody w wjąsce.
[ Dodano: 2007-10-31, 23:37 ]
Po godzince znalazłem w której,lecz nie znalazłem walniętego bezpjecznika,a na pewno coś wywaliło.