Poza tym chyba te żarówki sa u nas niedozwolone?
zgadza sie
ale wole cos widziec na niedozwolonych zarowkach
(bezpieczniej dla wszystkich, oczywiscie jezeli reflektory sa dobrze ustawione )
jak jechac po prawie ciemku na dozwolonych i wyladowac w botanice
niestety ale reflektory w explo to jak w maluchu czyli katastrofa
Daniel mialem ten sam problem tylko u mnie wyjaral sie prawie wlacznik,
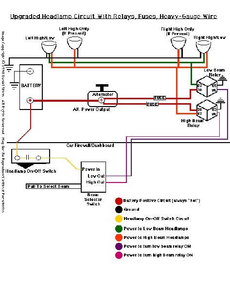
kupilem nowy i zalozylem przekazniki
teraz mam spoko
jak bede mial moja digicam to zrobie fotki
oto schemat jak popodlaczac przekazniki,
te kupilem za chyba 10 zl/szt z podstawka